Email us
coco20.xu@gmail.comContact Number
/
English
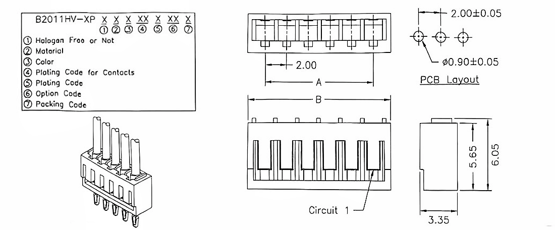
The 2.0mm Pitch 12 Pin Signal Harness JST PH Series B2011 is all about compact power and flexibility. Built for tight spaces and dense PCB layouts, it handles 24–30AWG wire sizes with ease, making it a go-to choice for engineers working on miniaturized devices.
Customizable down to the last detail, wire gauge, length, connector type, even color, built exactly how your project needs it.
Pitch Specification :
2.00mm PitchMaterial Compliance :
UL94V-0Product Category :
Wire-to-Board connectorWire Type :
24-30AWG2.0mm Pitch 12 Pin Signal Harness JST PH Series B2011
Compact and customizable B2011 series connection cable built with ROHS/UL certified materials. Supports 24–30AWG wire configurations, multiple connector brands, and flexible MOQ. Ideal for PCB stacking in wearables, sensors, vision modules, and medical or industrial equipment—delivering reliable signal integrity in dense and dynamic environments.

| Circuit No. | Dimensions | |
| A (mm) | B (mm) | |
| 2 | 2 | 5.15 |
| 3 | 4 | 7.15 |
| 4 | 6 | 9.15 |
| 5 | 8 | 11.15 |
| 6 | 10 | 13.15 |
| 7 | 12 | 15.15 |
| 8 | 14 | 17.15 |
| 9 | 16 | 19.15 |
| 10 | 18 | 21.15 |
| 11 | 20 | 23.15 |
| 12 | 22 | 25.15 |
| 13 | 24 | 27.15 |
| 14 | 26 | 29.15 |
| 15 | 28 | 31.15 |
| 16 | 30 | 33.15 |

The Neckband Bluetooth Headset Replacement Connector Cable JST XSR-36S is manufactured with environmentally friendly materials that meet ROHS standards and have passed UL certification, combining environmental friendliness with reliable performance. It supports customization of the 36AWG wire type, and users can replace the default JST XSR - 36S plastic housing with those from other brands. The minimum order quantity is flexible and negotiable. This product is applicable to fields such as headphones and consumer electronics, capable of stably transmitting current and signals to meet diverse connection requirements.
Do you need a pair of earphone connecting wires? The Neckband Earphone Connector Cable JST 02ASR-36S is your ideal choice. It is made of materials that meet the ROHS standard and have passed the UL certification. It supports customization of the wire type, plastic housing, and size. The minimum order quantity can be negotiated to provide you with a personalized solution.
The Speaker Connector Cable JST 02SSR-32H is made of environmentally friendly materials that meet ROHS and UL standards. It supports customization of 32AWG wire types and plastic housings, and the minimum order quantity is negotiable. It is suitable for devices such as tablet computers and displays, and can stably transmit current and signals.
Connecting Cable for Smartwatches JST 02SUR - 32S is a high - quality connector. Its materials meet the ROHS and UL standards, ensuring environmental friendliness and safety. It supports customization of wire types and dimensions, and allows for the replacement of the plastic housing with those from other brands. The minimum order quantity is flexible. It is applicable to fields such as smartwatches, smart bracelets, etc., and can stably transmit signals and power.
The1.0mm Pitch 5-Pin Wire-to-Board Cable Assembly are made of environmentally friendly materials that meet ROHS and UL standards. They support customization of wire types within the 28 - 32AWG range and plastic housings, and the minimum order quantity is negotiable. They are suitable for devices such as displays and can stably transmit current signals.
The Custom TFT Display Signal Cable Harness are made of environmentally friendly materials that meet ROHS and UL standards. They support customization of wire types within the 28 - 36AWG range and plastic housings, and the minimum order quantity is negotiable. They are suitable for devices such as displays and can stably transmit current and signals.
The wire-to-board connecting cable A1252 is made of environmentally friendly materials that meet ROHS and UL standards, ensuring safety and reliability. It supports customization of wire types within the range of 28 - 32AWG, and the plastic housing can be replaced with those from other brands. The minimum order quantity is negotiable. It is suitable for devices such as displays and cameras, and can stably transmit current signals.
The 1.25mm Pitch Wire Harness for LCD TV Display A1251 Series is made of environmentally friendly materials compliant with ROHS and UL standards, ensuring safety and reliability. It supports customization of wire types within the 26 - 30AWG range, and the plastic housing can be replaced with those from other brands. The minimum order quantity is negotiable according to specific projects. It is applicable to consumer products such as TV screens and electronic weighing scales, and can stably transmit signals and power.
This 1.25mm Pitch Micro Crimp Contact JST GH Equivalent A1255 is a high-reliability Micro Contact pin engineered for demanding Wire-to-Board applications.Serving as a direct JST GH Replacement,it provides superior signal integrity in compact electronic devices,drones,and LCD displays.Our terminals feature high-durability plating,support fine wire gauges from AWG 28-32,and meet stringent quality standards for bulk harness manufacturing.Choose our cost-effective contact pins for optimized performance and reduced assembly costs.
These 2.00mm Pitch Wire-to-Board Harness JST PH Equivalent A2100 is manufactured using eco-friendly materials compliant with ROHS and UL safety standards. These terminals are specifically designed to be used within the H.R A2100 series housing. The A2100-T terminal is made of phosphor bronze and is available with tin-plating.Custom specifications are available to fulfill your application requirements.
The 2.00mm Pitch Micro Connector Cable A2002 Series is a high-performance customizable product. It is made of environmentally friendly materials that meet ROHS and UL standards, ensuring safety and reliability. It supports customization of wire types within the 24 - 30AWG range, and the plastic housing can be replaced with those.
The 2.00mm Pitch IDC Cable Assembly JST XA Equivalent A2003 is designed for multi-circuit signal and power transmission, available in 2–15 pole configurations to meet diverse wiring requirements. Its pressure-welding design ensures secure mechanical fastening and excellent electrical contact performance. With an operating temperature range of -25°C to +85°C, the product is suitable for a wide variety of application environments. Featuring insulation resistance ≥1000MΩ and contact resistance ≤0.02Ω, it effectively minimizes signal loss and energy dissipation. Whether it is signal transmission or low-power power supply, A2003 (SAN.JC20) can provide a stable, durable and secure connection solution. It can also support customized cable lengths and termination methods to meet the diverse needs of OEM/ODM projects
The 2.50mm Pitch DC Motor Wire Harness A2501 Series is made of environmentally friendly materials that comply with ROHS and UL standards. It supports customization of wire types within the range of 22 - 30AWG. The plastic housing can be replaced, and technical support is provided. The minimum order quantity is negotiable. It is mainly used for DC motors to stably transmit current and is also suitable for devices such as displays, cameras, and sensors to stably transmit signals.
The Molex 5264 Replacement Signal Cable 2.5mm Pitch A2502 is made of environmentally friendly materials that comply with ROHS and UL standards. It supports the customization of wire types within the range of 22-30AWG and has passed strict electrical standard tests. The plastic housing can be replaced, and technical support is provided. The minimum order quantity is negotiable. It is suitable for robotic vacuum cleaners and a variety of household appliances such as refrigerators, washing machines, and microwaves. It can stably transmit current and signals, ensuring smooth operation and reliable performance of the equipment.
The 2.50mm Pitch Wire-to-Board Cable Harness for Appliances A2503 is made of environmentally friendly materials compliant with ROHS and UL standards. It supports customization of wire types within the 22 - 28AWG range. The plastic housing can be replaced with those from other brands, and the minimum order quantity is negotiable. It is suitable for devices such as displays and cameras, and can stably transmit current and signals.
The 2.50mm Pitch PCB Harness | JST XH Equivalent Connector (A2504) is made of environmentally friendly materials that meet ROHS and UL standards. It supports customization of wire types within the 22 - 30AWG range and plastic housings, and the minimum order quantity is negotiable. It is applicable to a variety of devices and can stably transmit current and signals.
The 2.50mm Pitch Optoelectronic Interconnect Cable A2506 Series provides highly reliable signal and current transmission for sophisticated devices. Crafted with environmentally friendly, RoHS and UL compliant materials, this 2.50mm Pitch assembly is ideal for sensitive applications like high-resolution optical sensors and smart home devices. We offer full customization for 22-28AWG wire gauges and connector housing, with negotiable minimum order quantities (MOQ) to meet diverse customer requirements. Ensure seamless connectivity and efficient performance in your optoelectronic and electronic appliance projects.
The 2.54mm Pitch Downlight Power Cable Assembly A2542 is crafted from environmentally friendly materials that comply with ROHS and UL standards, guaranteeing reliable quality and environmental sustainability. It offers the flexibility to customize wire types within the 24 - 30AWG range and plastic housings. The minimum order quantity is negotiable, providing adaptability to various customer needs. This product is well-suited for applications in the electronic and electrical appliance fields, such as lighting fixtures and household appliances. Whether it's powering up energy-efficient LED lamps in modern lighting systems or serving as a crucial connection in household appliances like refrigerators, washing machines, and air conditioners, it can stably transmit current and signals. By doing so, it effectively meets the diverse connection requirements in these areas, ensuring the smooth operation of different electronic and electrical devices.
The 2.54mm Pitch Wire-to-Board Harness Dupont Equivalent A2543 is a high - performance connection product made from environmentally friendly materials that meet ROHS and UL standards. It supports customization of wire types within the 24 - 30AWG range and the 2510 plastic housing. The minimum order quantity can be flexibly negotiated. It is applicable to fields such as displays, cameras, sensors, and industrial equipment. It can stably transmit current and signals, ensuring the normal operation of devices.
The 2.54mm Pitch Computer Interconnect Cable Dupont Equivalent A2545 is made of environmentally friendly materials that meet ROHS and UL standards, demonstrating excellent performance in environmental protection and quality. It supports customization of wire types within the 24 - 30AWG range and plastic housings. The minimum order quantity can be flexibly negotiated to meet diverse customer needs. It is applicable to fields such as displays, cameras, sensors, and industrial equipment. It can stably transmit current and signals, providing a reliable guarantee for device connections.
The 3.50mm Pitch Wire-to-Board Cable Signal Power A3501 is meticulously manufactured using environmentally friendly materials that meet ROHS and UL standards, ensuring both product quality and environmental friendliness. It supports customization of wire types within the 18 - 24AWG range, and the plastic housing (A3501) can also be customized according to requirements. The minimum order quantity is flexible for negotiation to meet diverse needs. It is applicable to fields such as displays, cameras, sensors, and industrial equipment. It can stably transmit current and signals, providing a reliable connection guarantee for the normal operation of devices.
The 3.96mm Pitch Wire-to-Board Cable Assembly A3962(5195) is crafted from environmentally friendly materials that comply with ROHS and UL standards, ensuring both reliability and eco-friendliness. It supports customization of wire gauges ranging from 18 - 24 AWG, and the plastic housing (A3962(5159)) can also be customized. The minimum order quantity can be flexibly negotiated. It is applicable to various fields such as displays, cameras, sensors, and industrial equipment, enabling stable transmission of current and signals to meet diverse connection needs.
The 3.96mm Pitch High Current Cable Molex Mini-Fit A3963 is meticulously crafted using environmentally friendly materials that meet ROHS and UL standards, demonstrating excellent performance in both environmental friendliness and quality. It supports customization of wire types within the 18 - 24AWG range, and the plastic housing (MOLEX 90331) can also be customized as required. The minimum order quantity can be flexibly negotiated to fully meet diverse connection needs of customers. It is applicable to fields such as displays, cameras, sensors, and industrial equipment. It can stably transmit current and signals, providing a reliable connection guarantee for the stable operation of devices.
The 4.5mm Pitch Wire-to-Wire Power Harness A4501 Series is made of ROHS & UL - compliant eco - friendly materials. It supports 20 - 26AWG wire gauge and A4501 housing customization. The minimum order quantity is negotiable. It's suitable for displays, cameras, sensors, and industrial equipment, stably transmitting current and signals.
The 1.25mm Pitch Board-In Harness JST GH Series B1259 is meticulously crafted from environmentally friendly materials that meet ROHS and UL standards, combining environmental friendliness with reliable quality. It supports customization of wire types within the 28 - 32AWG range, and the plastic housing (B1259) can also be customized as required. The minimum order quantity can be flexibly negotiated to fully meet the diverse connection needs of customers. It is applicable to fields such as displays, cameras, sensors, and industrial equipment. It can stably transmit current and signals, providing a solid connection guarantee for the normal operation of devices.
The Micro-Fit 3.0 Cable Assembly for Molex 78172-0003 is made of environmentally friendly materials that comply with ROHS and UL standards. It supports customization of wire types ranging from 28 - 30AWG and the plastic housing. The minimum order quantity is negotiable. It is suitable for displays, cameras, sensors, and industrial equipment, enabling stable transmission of current and signals.
This High Current Battery Buckle Power Harness for BESS and EV is manufactured using environmentally friendly materials that meet ROHS and UL standards, boasting excellent environmental performance and reliable quality. It supports customization of wire gauges (with a standard range of 22 - 26AWG and customizable options) and connectors (including "I" Type Battery Snaps and TE - 3 - 640441 - 2 as standard options, also customizable). The dimensions are set according to customer requirements, and the minimum order quantity is flexibly negotiable. It is widely used in various fields such as electrical appliances, radios, household devices, and lighting equipment, enabling stable battery connections and power transmission.
The 2.50mm Pitch Lithium Battery Interconnect A2505 Series is made of environmentally friendly materials compliant with ROHS and UL standards. It supports customization of wire types within the 22 - 28AWG range and plastic housings. The minimum order quantity is negotiable. It is suitable for devices such as displays and can stably transmit current and signals.
The 4.20mm Pitch Power Harness Mini-Fit Jr. A4202FL are manufactured with environmentally friendly materials compliant with ROHS and UL standards. They support customization of wire types within the 18 - 24AWG range and the A4202(FL) plastic housing. The minimum order quantity can be flexibly negotiated. These cables are applicable to fields such as displays, cameras, sensors, and industrial equipment, and can stably transmit current and signals.
Micro Coaxial LVDS Cable Assembly for LCD Display A1007 is manufactured with ROHS- and UL-compliant materials and built to deliver stable signal transmission for display and laptop screen connections. It supports full customization, including 26–28AWG wire options, A1007H or alternative connectors, and customer-defined dimensions and appearance. As an OEM/ODM-capable supplier, we also offer flexible color selection and design adjustments.
The 1.25mm Pitch JST GH Interconnect Harness A1250 are meticulously designed with a sturdy structure. They can withstand frequent plug - in and vibration, providing long - lasting and efficient circuit connection guarantees.
ThisUL Certified DC Power Supply Cord for LED Lighting is made of recyclable materials and can transmit electricity efficiently. It is suitable for all kinds of electronic equipment with environmental protection requirements, bringing you a green electricity experience.
The 1.0mm Pitch Wire-to-Board Cable for OLED Display A1024 is designed for secure and reliable PCB connections. With customizable length, connector type, and wire gauge options, this assembly is suitable for a wide range of electronic applications. Made with premium materials, it ensures long-lasting performance even in harsh environments. Ideal for OEM integration, prototyping, and industrial equipment.
The 1.25mm Pitch 20 Pin Micro Interconnect A1253 Series is designed to deliver stable signal and power transmission for a wide range of electronic applications. Manufactured with ROHS-compliant and UL-certified materials, this cable ensures both environmental safety and electrical reliability.Supporting customization of wire gauge (26-32AWG), cable length, connector type, and color, the A1253 series offers unmatched flexibility to meet specific design requirements. Each cable undergoes a controlled manufacturing process — from machine stripping and precision terminal crimping to manual housing soldering — ensuring consistent performance and superior quality.The default configuration uses the A1253 connector, with the option to replace it with other compatible brands based on customer needs.
The 1.25mm Pitch Micro Connector Cable Molex 51021 Series is a high-performance micro-connector solution engineered for compact and space-constrained electronic assemblies, the MOLEX 51021 cable supports precise customization in wire gauge, length, and connector configuration to match demanding OEM/ODM requirements. Utilizing UL94V-0 flame-retardant PBT housing materials, this cable fully meets ROHS and UL compliance standards, ensuring both safety and environmental responsibility.
The 1.5mm Pitch Micro Harness JST ZH Series A1501 is a precision-engineered wire-to-board solution designed for space-constrained electronic applications. The production process combines automated stripping, precision crimping, and manual soldering, ensuring high assembly accuracy and consistent quality. Manufactured exclusively with ROHS and UL-compliant materials, it guarantees stable signal integrity and reliable performance in continuous operation.
The 2.0mm Pitch 12 Pin Signal Harness JST PH Series B2011 is all about compact power and flexibility. Built for tight spaces and dense PCB layouts, it handles 24–30AWG wire sizes with ease, making it a go-to choice for engineers working on miniaturized devices.Customizable down to the last detail, wire gauge, length, connector type, even color, built exactly how your project needs it.
If you are interested in our products and want to know more details, please contact us, and we will reply to you as soon as we can.
