Email us
coco20.xu@gmail.comContact Number
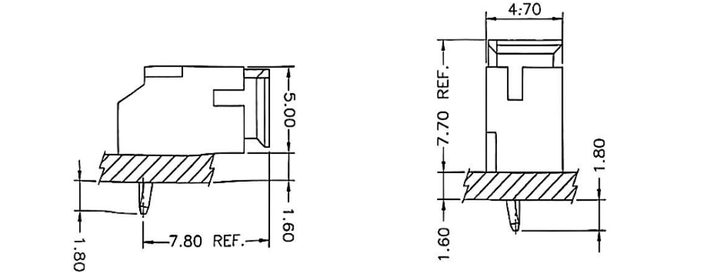
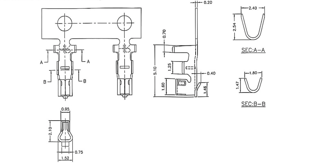
/These 2.00mm Pitch Wire-to-Board Harness JST PH Equivalent A2100 is manufactured using eco-friendly materials compliant with ROHS and UL safety standards. These terminals are specifically designed to be used within the H.R A2100 series housing. The A2100-T terminal is made of phosphor bronze and is available with tin-plating.
Custom specifications are available to fulfill your application requirements.
Pitch Specification :
2.00mm PitchMaterial Compliance :
UL94V-0Product Category :
Wire-to-Board connectorPlastic Housing :
A2001Conductor :
2.00mmInsulation :
1A~3AC,DC(Per Pin)Rated Temperature :
300V AC,DC(Per Pin)Rated Voltage :
-25°C~+85°CFlame Test :
20mΩ Max.Executed Standard :
100MΩ Min.Packaging Material :
1000V AC/minuteConnector :
AWG24-282.00mm Pitch Wire-to-Board Harness JST PH Equivalent A2100

Engineered for LED lighting systems, critical for:
| Ordering Information & Specifications: | |||||
| Part No. | Wire Range | Insulation O.D. | Material | Finish | Qty/Reel |
| A2100-TPE | AWG#24-#28 | 1.50mm(Max) | Phosphor Bronze | Tin-Plated | 10,000Pcs |
| Dimensions: | ||
| Circuit No. | Dimensions | |
| A | B | |
| 02 | 2.00 | 5.60 |
| 03 | 4.00 | 7.60 |
| 04 | 6.00 | 9.60 |
| 05 | 8.00 | 11.60 |
| 06 | 10.00 | 13.60 |
| 07 | 12.00 | 15.60 |
| 08 | 14.00 | 17.60 |
| 09 | 16.00 | 19.60 |
| 10 | 18.00 | 21.60 |
| 11 | 20.00 | 23.60 |
| 12 | 22.00 | 25.60 |
| 13 | 24.00 | 27.60 |
| 14 | 26.00 | 29.60 |
| 15 | 28.00 | 31.60 |


